四爪インディペンデントチャックΦ50mm
No.66517・Compact3
コンパクト3用の四爪インディペンデントチャックです。
爪がそれぞれ独立して可動しますので、角材や台形材などが把握できます。
※逆爪には対応してません。
◎チャック径:Φ50mm
◎取付部:M14×1.0mm

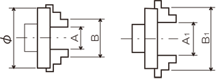
製品仕様・四爪インディペンデントチャック | |
正爪 | |
外径把握 | 内径把握 |
A-A1 | B-B1 |
2-20mm | 22-50mm |


※上記イメージは三爪スクロールチャック
※お取寄せ品につき、納期目安は5~7営業日以内に発送予定です。
お急ぎの方は電話にて納期を確認して下さい。
メーカーが在庫切れの場合は30日~60日程かかります。
自動送り装置 No.66550 タテ送りを自動で可動させるためのアタッチメントです。円筒切削などに非常に便利です。 |
二面刃物台 No.66532 両サイドに切削バイトを固定して、切替ながら使うためのアタッチメント。 |
トップスライド No.66515 斜めにできるスライドを追加することで、テーパー(円錐)加工が行えます。 |
位置出し送りハンドルキット No.66580 送りハンドルを位置出し可能な送りハンドルにグレードアップするキットです。 |
固定振止 No.66520 ワークピース(材料)の振れを抑えます。センターで押し支える事のできない中ぐり加工やドリル加工を行う時にも利用します。 |
ドリルチャック No.66510 心押台に取り付けてドリルを把握するのに用います。ドリル穴加工が行えます。 |
三爪スクロールチャック No.66505 標準付属している三爪スクロールチャックと同等品。二つのピンレバーを用いて爪を開閉します。 |
四爪インディペンデントチャック No.66517 爪がそれぞれ独立して可動しますので、角材や台形材などが把握できます。 |
四爪スクロールチャック No.66518 各爪が連動するタイプのチャック。四角材や棒材の把握に適しています。 |
センタードリル No.62599 端面にセンター穴をあける時に用いるドリル。センター穴をあけて、回転センターやレースセンターで固定します。 |
ダイスホルダー No.60378 旋盤で20径・25径のダイスを使って手動で雄ネジを切削するためのホルダーです。 |
アルミ生爪3個セット No.66511 標準の爪と入れ替えて使用します。任意の形状に加工してメダルや指輪等、異形のものを把握して加工するのに適しています。 |
回転センター No.66560 心押台に取り付けて、ワークピース(材料)を押し支えるのに用います。ベアリングが内蔵されていて、材料の回転と同転するので先端が焼き付きにくいセンターです。 |
ショートドリル8本セット No.66291 非鉄金属向きのショートサイズのハイスドリルセットです。φ1.0~8.0mm迄の各1mm間隔8本セット。 |
ショートドリル10本セット No.66290 非鉄金属向きのショートサイズのハイスドリルセットです。φ1.0~10.0mm迄の各1mm間隔10本セット。 |
ハイスバイト6本セット No.66595 ハイスバーを刃形状に加工した総型です。それぞれ切りくずの逃がし加工を行ってあり、小型旋盤などのパワーの小さい旋盤でも綺麗な切削面が得られ容易に切削加工が可能です。 |
超硬バイト4本セット No.66700 小型旋盤用に特別に設計したチップ交換式の旋削用切削工具で、優れた切味と刃先強度を持った刃型、使い勝手の良い鋼用の汎用タイプチップをベースにラインアップした切削バイトシリーズのお得な4種類組品です。 |
チップスタンド No.66585 精密ミニ旋盤コンパクト3専用の固定脚付きチップスタンドです。 |
超硬丸スロアウエイ突切りバイト No.66693 負荷のかからない小物の微少加工に向いているバイトです。超硬丸棒チップとホルダー、レンチのセットです。 |
超硬突切り丸チップ1個 No.66692 No.66693用の交換用丸シャンクのチップです。 |
超硬突切り丸チップ5個 No.66681 No.66693用の交換用丸シャンクのチップ5個セットです。 |
超硬突切り丸チップ10個 No.66686 No.66693用の交換用丸シャンクのチップ10個セットです。 |
超硬丸スロアウエイ中ぐりバイト No.66694 簡単な加工であれば、ドリルを使わずに端面から孔あけが行える他、下穴も小さくできるので、微少加工に便利です。超硬丸棒チップとホルダー、レンチのセットです。 |
超硬中ぐり丸チップ1個 No.66695 No.66694用の交換用丸シャンクのチップです。 |
超硬中ぐり丸チップ5個 No.66682 No.66694用の交換用丸シャンクのチップ5個セットです。 |
超硬中ぐり丸チップ10個 No.66687 No.66694用の交換用丸シャンクのチップ10個セットです。 |
超硬丸スロアウエイ外径削りバイト No.66696 外径切削用のバイトです。負荷のかからない小物の微少加工に向いてます。超硬丸棒チップとホルダー、レンチのセットです。 |
超硬外径削り丸チップ1個 No.66697 No.66696用の交換用丸シャンクのチップ。 |
超硬外径削り丸チップ5個 No.66683 No.66696用の交換用丸シャンクのチップ5個セットです。 |
超硬外径削り丸チップ10個 No.66688 No.66696用の交換用丸シャンクのチップ10個セットです。 |
木工旋盤アタッチメント No.66535 コンパクト3を木工旋盤と同じように使用するためのアタッチメント。 |
ミニチュア木工チゼル3本組 No.66536 小型旋盤用の木工アタッチメント/木工旋盤アタッチメントで、木材を切削するためのチゼル基本セット。ミニチュアタイプの柄の短い木工チゼルセットです。 |
カーボンブラシ(2ケ) No.60066500222 旋盤用モーターのカーボンブラシです。 |
精密ミニ旋盤 コンパクト3(Compact3) No.66500 Mr.Meister 小型でも本格的な旋盤加工ができます。 |
||||||||||