精密卓上旋盤・コンパクト9
COMPACT9・Mr.Meister
No.60500
単品試作品造り・研究開発・模型製作など。幅広い活用ができる本格的卓上旋盤。
オフィスの事務机に載る精密卓上旋盤コンパクト9は、大型の汎用旋盤をそのまま小さくした
様なしっかりとした構造設計です。高級鋳鉄製の重量感のある安定した旋盤です。低速と高速
の2つの速度レンジ内での無段階変速ができ、加工用途に合わせた細かい速度調整が可能です。
基本的な旋削はもちろん、テーパー(円錐)も標準装備のトップスライドで加工できます。
また、自動送り装置も組み込まれており、チェンジギアセットも付属しています。
三爪スクロールチャックΦ80mm、四面刃物台、超硬スロアウエイ直剣バイトも標準装備品
で材料があればすぐに旋盤加工を始められます。
豊富なオプションを追加すれば、あらゆる旋盤加工が行えます。
※沖縄、北海道、離島につきましては送料が必要です。ご了承下さい。
シンプルで簡単な無段変速、そして緊急停止ボタンを配した安全設計。
レバー操作による高速レンジと低速レンジの切り替え、ヴァリアブルスピードコントロールノブを操作してレンジ内での無段変速が行えます。大型で押し易い緊急停止ボタンをコントロールパネルに配しています。チャック保護カバーの開閉に連動したCE準拠の安全機構を内蔵しています。
モーターパワーを確実に伝達タイミングベルトとギアによりモーター駆動を主軸に伝達し主軸回転を実現しています。主軸回転方向を正転・逆転できるため、逆巻きのネジ切削が行えます。
三爪スクロールチャックを標準装備。安全基準CEに準拠したチャック保護カバーを標準装備しています。φ80mm迄の三爪スクロールチャック等のチャックハンドル取り外し忘れ防止対策が施させています。刃物台は四面刃物台を採用し切削バイトを交換するときに便利な位置決め機構を内蔵しています。
トップスライドを内蔵した四面刃物台を標準装備。トップスライドを内蔵したクロススライドを配し、大型のタテ送りハンドルを装備しています。自動送り装置の操作レバーも簡単にできるエプロンに集中させています。刃物台保護カバー等CEに準拠した安全仕様になっています。
自動送り装置を内蔵し、チェンジギアセットも標準付属。自動送り装置を内蔵し、チェンジギアセットも標準付属しています。主軸の構造から逆巻きネジの切削も行えます。
0.4/0.5/0.6/0.7/0.8/1.0/1.25/1.5/2.0mmピッチの切削が行えます。
シンプルで使いやすい心押台。操作し易い大型のハンドルを装備した心押台を旋盤ベッド上に配しています。クイルトラベルはドリル加工に最適な40mm迄が可能です。またMT-2Sのモールステーパーを採用しています。
スプラッシュガード、チップトレイも標準装備切りくずの飛散防止が行えるスプラッシュガードとチップトレイも標準装備しています。
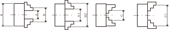
◎三爪スクロールチャック詳細
製品仕様・三爪スクロールチャック | ||
正爪 | 逆爪 | |
外径把握 | 内径把握 | 外径把握 |
A-A1 | B-B1 | C-C1 |
3-22mm | 25-70mm | 22-63mm |


製品仕様 | COMPACT9(コンパクト9)精密卓上旋盤 |
心 間 | 350mm |
クロススライド上振り | 114mm |
ヘッド上振り | 180mm |
回転速度[回転/分] | 高低切替・無段変速 高100~2,500min-1 低100~1,100min-1 |
回転方向 | 正転・逆転 |
主 軸 | MT-3 |
主軸貫通孔 | Φ20.2mm |
※Φ16㎜以上の材料を貫通させる時は、 Φ100㎜の三爪スクロールチャックNo.60507等が別途必要です。 |
|
刃物台 | 8x8mm角バイト用 四面刃物台 トップスライド内蔵 |
心押台 | クイルトラベル 40mm(MT-2S) |
親ネジ | M10×1.5mm |
チャック | 三爪スクロール Φ80mm |
自動送り | 0.1mm/rev |
0.2mm/rev | |
ネジ切削 | 右巻き・左巻き |
0.4/0.5/0.6/0.7/0.8/1.0/1.25/1.5/2.0mm | |
電 源 | 100V・50/60Hz・250W |
本体寸法/重量 | W700×D290×H295mm/37kg |
パッケージ内容 | 万能精密旋盤コンパクト9本体 三爪スクロールチャック(本体装着済) 逆爪3ヶセット チャックハンドル 四面刃物台(本体装着済) トップスライド(内蔵) チェンジギアセット レースセンター 超硬スロアウエイバイト8mm角(直剣) スプラッシュガード(本体装着済) チップトレイ 自動送り装置(内蔵) 標準工具一式 取扱説明書 |
※お取寄せ品につき、納期目安は5~7営業日以内に発送予定です。
お急ぎの方は電話にて納期を確認して下さい。
メーカーが在庫切れの場合は30日~60日程かかります。
精密ミニ旋盤 コンパクト3 (Compact3) No.66500 Mr.Meister 小型でも本格的な旋盤加工ができます。 |
オプション品 コンパクト3専用 Mr.Meister オプションを使用して様々な作業が可能になります。 |
精密ミニ旋盤スターターセット コンパクト3 (Compact3) No.66575 Mr.Meister オプション3点が付いたお買い得スターターセットです。 |
精密ミニ旋盤アドバンスセット コンパクト3 (Compact3) No.66578 Mr.Meister 面取り加工ができる、オプションが6点付いたお買い得なアドバンスセットです。 |
万能精密旋盤 コンパクト7 (Compact7) No.66000 Mr.Meister あらゆる精密切削加工に最適です。工場の汎用旋盤と同等の加工が可能です。 |
オプション品 コンパクト7専用 Mr.Meister オプションを使用して様々な作業が可能になります。 |
万能精密旋盤スターターセット コンパクト7 (Compact7) No.66075 Mr.Meister オプション4点が付いたお買い得スターターセットです。 |
万能精密旋盤アドバンスセット コンパクト7 (Compact7) No.66078 Mr.Meister 面取り加工ができる、オプションが6点付いたお買い得なアドバンスセットです。 |
精密卓上旋盤 コンパクト9 (Compact9) No.60500 Mr.Meister 単品試作造り・研究開発・模型製作等、幅広い活用ができる本格的な卓上旋盤です。 |
オプション品 コンパクト9専用 Mr.Meister オプションを使用して様々な作業が可能になります。 |
精密卓上旋盤スターターセット コンパクト9 (Compact9) No.60575 Mr.Meister オプション4点が付いたお買い得スターターセットです。 |
精密卓上旋盤アドバンスセット コンパクト9 (Compact9) No.60578 Mr.Meister オプション6点が付いたお買い得アドバンスセットです。 |
精密卓上旋盤 デジタルスケール付 コンパクト9 (Compact9) No.60502 Mr.Meister 加工したい寸法をディスプレイで確認しながら作業ができるセットです。 |
精密卓上旋盤スターターセット デジタルスケールキット付 コンパクト9 (Compact9) No.60576 Mr.Meister オプション4点とデジタルスケールが付いたお買い得スターターセットです。 |
精密卓上旋盤アドバンスセット デジタルスケールキット付 コンパクト9 (Compact9) No.60579 Mr.Meister オプション6点とデジタルスケールキットが付いたお買い得アドバンスセットです。 |
ミニフライス盤 リトルミーリング1 (LittleMilling1) No.66400 Mr.Meister 小型で場所を取らない本格的な卓上フライス盤です。 |
オプション品 リトルミーリング1専用 Mr.Meister オプションを使用して様々な作業が可能になります。 |
ミニフライス盤スターターセット リトルミーリング1 (LittleMilling1) No.66475 Mr.Meister オプション5点が付いたお買い得スターターセットです。 |
ミニフライス盤アドバンスセット リトルミーリング1 (LittleMilling1) No.66478 Mr.Meister オプション7点が付いたお買い得アドバンスセットです。 |
精密卓上フライス盤 リトルミーリング9 (LittleMilling9) No.60700 Mr.Meister 大きなカッター類を使用できる精密卓上フライス盤です。 |
オプション品 リトルミーリング9専用 Mr.Meister オプションを使用して様々な作業が可能になります。 |
精密卓上フライス盤 スターターセット リトルミーリング9 (LittleMilling9) No.60775 Mr.Meister オプション4点が付いたお買い得スターターセットです。 |
精密卓上フライス盤 アドバンスセット リトルミーリング9 (LittleMilling9) No.60778 Mr.Meister オプション7点が付いたお買い得アドバンスセットです。 |
精密卓上フライス盤 デジタルスケール付 リトルミーリング9 (LittleMilling9) No.60702 Mr.Meister デジタルスケールキット付きなので、加工したい寸法をディスプレイで確認しながら作業ができます。 |
精密卓上フライス盤 スターターセット デジタルスケールキット付 リトルミーリング9 (LittleMilling9) No.60776 Mr.Meister オプション4点とデジタルスケールキットが付いたお買い得スターターセットです。 |
精密卓上フライス盤 アドバンスセット デジタルスケールキット付 リトルミーリング9 (LittleMilling9) No.60779 Mr.Meister オプション6点とデジタルスケールキットが付いたお買い得アドバンスセットです。 |
精密卓上フライス盤 リトルミーリング11 (LittleMilling11) No.60800 Mr.Meister 自動送り装置が標準装備した本格卓上フライス盤です。 |
オプション品 リトルミーリング11専用 Mr.Meister オプションを使用して様々な作業が可能になります。 |
精密卓上フライス盤 スターターセット リトルミーリング11 (LittleMilling11) No.60875 Mr.Meister オプション4点が付いたお買い得スターターセットです。 |
精密卓上フライス盤 アドバンスセット リトルミーリング11 (LittleMilling11) No.60878 Mr.Meister オプション6点が付いたお買い得アドバンスセットです。 |
小型ボール盤 No.DP-2250R 省スペースボール盤、繰り返し穴あけ作業に最適です。 |
小型ボール盤 No.DP-2000R 厚みのある材料の穴あけ加工に向いてるボール盤です。 |
ピンバイス各種 手動で穴あけ加工が可能なピンバイスです。 |
ノギス、ゲージ各種 精密部品、切削パーツの計測など加工補助に最適です。 |
超音波洗浄機器各種 切削加工品の洗浄や精密部品などの洗浄に最適です。 |
ルーペ、拡大鏡 加工品の観察や製作途中の確認、完成品の検品作業などに使えます。 |
ハンドグラインダー各種 加工品のバリ取り研磨、切削研磨、表面加工に最適なリューターです。 |
||||||||||