精密卓上旋盤・コンパクト9
スターターセット
COMPACT9・Mr.Meister
No.60575
単品試作造り・研究開発・模型製作等、幅広い活用ができる本格的な旋盤です。
Compact9に、オプション4点が付いたお買い得セットです。

※沖縄、北海道、離島につきましては送料が必要です。ご了承下さい。![]()

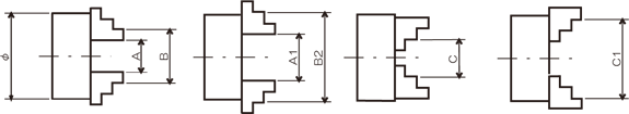
◎三爪スクロールチャック詳細
| 製品仕様・三爪スクロールチャック | ||
| 正爪 | 逆爪 | |
| 外径把握 | 内径把握 | 外径把握 |
| A-A1 | B-B1 | C-C1 |
| 3-22mm | 25-70mm | 22-63mm |
| 製品仕様 | スターターセット、COMPACT9(コンパクト9)精密卓上旋盤 |
| 心 間 | 350mm |
| クロススライド上振り | 114mm |
| ヘッド上振り | 180mm |
| 回転速度[回転/分] | 高低切替・無段変速 高100~2,500min-1 低100~1,100min-1 |
| 回転方向 | 正転・逆転 |
| 主 軸 | MT-3 |
| 主軸貫通孔 | Φ20.2mm |
| ※Φ16㎜以上の材料を貫通させる時は、 Φ100㎜の三爪スクロールチャックNo.60507等が別途必要です。 |
|
| 刃物台 | 8x8mm角バイト用 四面刃物台 トップスライド内蔵 |
| 心押台 | クイルトラベル 40mm(MT-2S) |
| 親ネジ | M10×1.5mm |
| チャック | 三爪スクロール Φ80mm |
| 自動送り | 0.1mm/rev |
| 0.2mm/rev | |
| ネジ切削 | 右巻き・左巻き |
| 0.4/0.5/0.6/0.7/0.8/1.0/1.25/1.5/2.0mm | |
| 電 源 | 100V・50/60Hz・250W |
| 本体寸法/重量 | W700×D290×H295mm/37kg |
| パッケージ内容 | 万能精密旋盤コンパクト9本体 三爪スクロールチャック(本体装着済) 逆爪3ヶセット チャックハンドル スプラッシュガード(本体装着済) チップトレイ(本体装着済) チェンジギアセット レースセンター 超硬スロアウエイバイトNo.66702同等品 四面刃物台(本体装着済) 油差し、敷板 標準工具一式 取扱説明書 (オプションセット品内容) ドリルチャック(No.60511) 回転センター(No.60553) センタードリル(No.62599) 汎用スロアウェイバイト4本セット(No.66700) |
※お取寄せ品につき、納期目安は5~7営業日以内に発送予定です。
お急ぎの方は電話にて納期を確認して下さい。
メーカーが在庫切れの場合は30日~60日程かかります。
![]()
|
精密ミニ旋盤 コンパクト3 (Compact3) No.66500 Mr.Meister 小型でも本格的な旋盤加工ができます。 |
オプション品 コンパクト3専用 Mr.Meister オプションを使用して様々な作業が可能になります。 |
精密ミニ旋盤スターターセット コンパクト3 (Compact3) No.66575 Mr.Meister オプション3点が付いたお買い得スターターセットです。 |
|
精密ミニ旋盤アドバンスセット コンパクト3 (Compact3) No.66578 Mr.Meister 面取り加工ができる、オプションが6点付いたお買い得なアドバンスセットです。 |
万能精密旋盤 コンパクト7 (Compact7) No.66000 Mr.Meister あらゆる精密切削加工に最適です。工場の汎用旋盤と同等の加工が可能です。 |
オプション品 コンパクト7専用 Mr.Meister オプションを使用して様々な作業が可能になります。 |
|
万能精密旋盤スターターセット コンパクト7 (Compact7) No.66075 Mr.Meister オプション4点が付いたお買い得スターターセットです。 |
万能精密旋盤アドバンスセット コンパクト7 (Compact7) No.66078 Mr.Meister 面取り加工ができる、オプションが6点付いたお買い得なアドバンスセットです。 |
精密卓上旋盤 コンパクト9 (Compact9) No.60500 Mr.Meister 単品試作造り・研究開発・模型製作等、幅広い活用ができる本格的な卓上旋盤です。 |
|
オプション品 コンパクト9専用 Mr.Meister オプションを使用して様々な作業が可能になります。 |
精密卓上旋盤スターターセット コンパクト9 (Compact9) No.60575 Mr.Meister オプション4点が付いたお買い得スターターセットです。 |
精密卓上旋盤アドバンスセット コンパクト9 (Compact9) No.60578 Mr.Meister オプション6点が付いたお買い得アドバンスセットです。 |
|
精密卓上旋盤 デジタルスケール付 コンパクト9 (Compact9) No.60502 Mr.Meister 加工したい寸法をディスプレイで確認しながら作業ができるセットです。 |
精密卓上旋盤スターターセット デジタルスケールキット付 コンパクト9 (Compact9) No.60576 Mr.Meister オプション4点とデジタルスケールが付いたお買い得スターターセットです。 |
精密卓上旋盤アドバンスセット デジタルスケールキット付 コンパクト9 (Compact9) No.60579 Mr.Meister オプション6点とデジタルスケールキットが付いたお買い得アドバンスセットです。 |
|
ミニフライス盤 リトルミーリング1 (LittleMilling1) No.66400 Mr.Meister 小型で場所を取らない本格的な卓上フライス盤です。 |
オプション品 リトルミーリング1専用 Mr.Meister オプションを使用して様々な作業が可能になります。 |
ミニフライス盤スターターセット リトルミーリング1 (LittleMilling1) No.66475 Mr.Meister オプション5点が付いたお買い得スターターセットです。 |
|
ミニフライス盤アドバンスセット リトルミーリング1 (LittleMilling1) No.66478 Mr.Meister オプション7点が付いたお買い得アドバンスセットです。 |
精密卓上フライス盤 リトルミーリング9 (LittleMilling9) No.60700 Mr.Meister 大きなカッター類を使用できる精密卓上フライス盤です。 |
オプション品 リトルミーリング9専用 Mr.Meister オプションを使用して様々な作業が可能になります。 |
|
精密卓上フライス盤 スターターセット リトルミーリング9 (LittleMilling9) No.60775 Mr.Meister オプション4点が付いたお買い得スターターセットです。 |
精密卓上フライス盤 アドバンスセット リトルミーリング9 (LittleMilling9) No.60778 Mr.Meister オプション7点が付いたお買い得アドバンスセットです。 |
精密卓上フライス盤 デジタルスケール付 リトルミーリング9 (LittleMilling9) No.60702 Mr.Meister デジタルスケールキット付きなので、加工したい寸法をディスプレイで確認しながら作業ができます。 |
|
精密卓上フライス盤 スターターセット デジタルスケールキット付 リトルミーリング9 (LittleMilling9) No.60776 Mr.Meister オプション4点とデジタルスケールキットが付いたお買い得スターターセットです。 |
精密卓上フライス盤 アドバンスセット デジタルスケールキット付 リトルミーリング9 (LittleMilling9) No.60779 Mr.Meister オプション6点とデジタルスケールキットが付いたお買い得アドバンスセットです。 |
精密卓上フライス盤 リトルミーリング11 (LittleMilling11) No.60800 Mr.Meister 自動送り装置が標準装備した本格卓上フライス盤です。 |
|
オプション品 リトルミーリング11専用 Mr.Meister オプションを使用して様々な作業が可能になります。 |
精密卓上フライス盤 スターターセット リトルミーリング11 (LittleMilling11) No.60875 Mr.Meister オプション4点が付いたお買い得スターターセットです。 |
精密卓上フライス盤 アドバンスセット リトルミーリング11 (LittleMilling11) No.60878 Mr.Meister オプション6点が付いたお買い得アドバンスセットです。 |
|
小型ボール盤 No.DP-2250R 省スペースボール盤、繰り返し穴あけ作業に最適です。 |
小型ボール盤 No.DP-2000R 厚みのある材料の穴あけ加工に向いてるボール盤です。 |
ピンバイス各種 手動で穴あけ加工が可能なピンバイスです。 |
|
ノギス、ゲージ各種 精密部品、切削パーツの計測など加工補助に最適です。 |
超音波洗浄機器各種 切削加工品の洗浄や精密部品などの洗浄に最適です。 |
ルーペ、拡大鏡 加工品の観察や製作途中の確認、完成品の検品作業などに使えます。 |
|
ハンドグラインダー各種 加工品のバリ取り研磨、切削研磨、表面加工に最適なリューターです。 |
||||||||||

















































